Home > Application > CNC Machine Tool
CNC Machine Tool
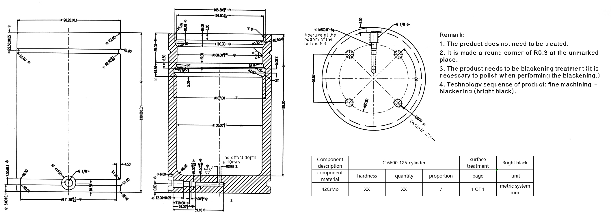
Shenyang HTC3650 Matches with GSK988TA CNC System that Applies on the Processing of Nitrogen Spring Cylinder of Dongguan Company
Customer Requirement:
- Satisfying the requirement of the drawing.
- The precision is controlled within 0.01mm.
- The maximum cylinder should be directly drilled by using the 70mmU and then process it.

Troubleshooting: - It is recommended to the Shenyang HTC3650 (System GSK988TA) based upon the customers’ components.
- The machining dimension of each procedure is stabled on 0.01mm after debugging and conforms to the design requirement.
- Multi-procedure consecutively operates and normally products in batch.
- The processed components are assembled other spare parts which can be satisfied with the requirements of the customers.
Processing Effect: - Precision is stable when producing in batch.
- The workpiece after assembled satisfies with the requirements of the customers.
